ব্রাস হোলো রিভেটস

ব্রাস হোলো রিভেটস

পিতলের ফাঁপা রিভেটগুলি সাধারণত পিতলের টিউব দিয়ে তৈরি। পিতলের টিউবগুলি শক্ত, ক্ষয় করা সহজ নয় এবং উচ্চ তাপমাত্রা এবং উচ্চ চাপ প্রতিরোধী। এগুলি বিভিন্ন পরিবেশে ব্যবহার করা যেতে পারে। একই সময়ে, এগুলি সাধারণ ধাতুগুলির তুলনায় বাঁকানো, মোচড়ানো, ফাটল এবং ভাঙতে সহজ। নুওট মেটাল হল চীনে পিতলের ফাঁপা রিভেটগুলির একটি পেশাদার প্রস্তুতকারক, আমরা এই শিল্পে 10 বছরেরও বেশি সময় ধরে আছি।

অনুসন্ধান পাঠান

পণ্যের বর্ণনা

পিতল ফাঁপা rivets ভূমিকা


পিতল ফাঁপা rivets ( নামেও পরিচিতব্রাস ফাঁপা rivets বাeyelet rivets) সাধারণত পোশাক, ইলেকট্রনিক্স, বৈদ্যুতিক যন্ত্রপাতি, পাদুকা, হ্যান্ডব্যাগ, বেল্ট এবং পোশাকে রিভেটিং, সাজসজ্জা, বন্ধন এবং ছিদ্রের জন্য ব্যবহৃত হয়। পিতলের ফাঁপা rivets পুনরায় riveting প্রয়োজন এবং ভারী workpieces সংযোগ করতে ব্যবহৃত হয়, প্রায়ই অ-বিচ্ছিন্ন কাঠামো. ফাঁপা পিতল rivets ব্যাপকভাবে ব্যবহৃত হয়. এই কাফ করা (ছোট প্রান্তের) পিতলের ফাঁপা রিভেটগুলি অনমনীয় টিউবিং থেকে তৈরি করা হয় এবং প্রি-ড্রিলিং ছাড়াই 0.5 মিমি পুরু পর্যন্ত স্টিলের প্লেট ভেদ করতে পারে। এগুলি নমন এবং বিকৃতি প্রতিরোধী এবং সাধারণত নিরাপদে ব্যবহৃত হয়।


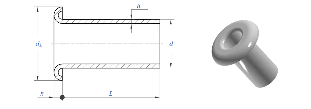
একটি পিতল ফাঁপা রিভেটের অঙ্কন:


ব্রাস হোলো রিভেটস প্যারামিটার (স্পেসিফিকেশন)


উপাদান

পিতল

সারফেস ট্রিটমেন্ট

অনুরোধ অনুযায়ী পরিষ্কার, নিকেল, দস্তা, সোনা, স্লাইভার দিয়ে কলাই

সার্টিফিকেট

Rohs অনুগত

ব্যাস শঙ্ক

0.8-10 মিমি

সহনশীলতা

+/-0.05 মিমি

আবেদন

 সহ বিভিন্ন শিল্পে ব্যবহারের জন্য উপযুক্তস্বয়ংচালিত, মহাকাশ,বৈদ্যুতিক এবং ইলেকট্রনিক্স,   ইত্যাদি।

মান নিয়ন্ত্রণ

উৎপাদনের মাধ্যমে 100% সম্পূর্ণ পরিসর পরিদর্শন নিশ্চিত করে যে প্রতিটি পণ্য ISO মান পূরণ করে, উচ্চ-মানের পণ্যের নিশ্চয়তা দেয়।



ব্রাস ফাঁপা Rivets বৈশিষ্ট্য এবং অ্যাপ্লিকেশন


পিতল ফাঁপা rivets শিল্প বিভিন্ন ব্যবহার করা হয়. ইলেকট্রনিক্সে, তারা তার বা উপাদান সংযুক্ত করে, তাদের বৈদ্যুতিক পরিবাহিতা ব্যবহার করে সংকেত সংক্রমণ নিশ্চিত করে। স্বয়ংচালিত শিল্পে, তারা অভ্যন্তরীণ উপাদান বা লাইটওয়েট নির্মাণের জন্য ব্যবহার করা হয়, কারণ তারা দ্রুত এবং সোল্ডারিং ছাড়াই ইনস্টল করা যেতে পারে। ঘরের জিনিসপত্র যেমন আসবাবপত্র বা আলংকারিক আইটেমগুলিতে, তামার রিভেটগুলি নান্দনিকভাবে আনন্দদায়ক এবং নির্ভরযোগ্য সংযোগ প্রদান করে। অন্যান্য অ্যাপ্লিকেশনের মধ্যে রয়েছে খেলনা, আলো এবং DIY প্রকল্প, যেখানে লাইটওয়েটিং এবং জারা প্রতিরোধ সুবিধাজনক।


পিতল ফাঁপা rivets উত্পাদন বিবরণ


প্যাকিং তথ্য

FAQ:


প্রশ্ন 1: পিতল ফাঁপা rivets জন্য আপনার MOQ কি?

rivets জন্য MOQ হল 20,000 পিসি।


প্রশ্ন 2: আপনি কি আমাদের অঙ্কন দিয়ে তৈরি করতে পারেন?

হ্যাঁ, আমাদের বেশিরভাগ ব্রাস হোলো রিভেট ক্লায়েন্টের অঙ্কন দিয়ে দর্জি তৈরি করে।


প্রশ্ন 3: আপনি কি পিতলের ফাঁপা রিভেটগুলির বিনামূল্যে নমুনা সরবরাহ করতে পারেন?

আমাদের স্টকে থাকা আকারের জন্য আমরা বিনামূল্যে নমুনা সরবরাহ করতে পারি, তবে ক্লায়েন্টরা এক্সপ্রেস চার্জ প্রদান করবে।


প্রশ্ন 4: আপনার ডেলিভারি সময় কি?

স্টকে থাকা রিভেটের আকার: 3-5 দিন, অ-মানক রিভেটস: 15-25 দিন। আমরা গ্যারান্টি মানের সাথে যত তাড়াতাড়ি সম্ভব ডেলিভারি করব।


প্রশ্ন 5: আপনার পণ্যের গুণমান?

কোম্পানির উন্নত উত্পাদন এবং পরীক্ষার সরঞ্জাম রয়েছে। প্রতিটি পণ্য চালানের আগে আমাদের QC বিভাগ দ্বারা 100% পরিদর্শন করা হবে।


প্রশ্ন 6: কেন আমরা Nuote প্রযুক্তি বেছে নেব?

1. আমরা গ্রাহকের গোপনীয়তা প্রকল্পগুলি রক্ষা করার জন্য গ্রাহকের শর্তাবলীকে সম্মান করি।

2. আকর্ষণীয় মূল্য সঙ্গে উচ্চ মানের

3. দ্রুত সীসা সময়

4. গ্রাহক এবং অংশীদারের কাছে শুভ চুক্তি এবং সততা

5. পেশাদার বিক্রয় বিজ্ঞাপন 8 ঘন্টার সাথে আপনার অনুসন্ধানের উত্তর দিন।

6.Nuote এর পণ্য এবং পরিষেবা ভাল খ্যাতি সহ 70 টিরও বেশি দেশে বিক্রি হয়





হট ট্যাগ: ব্রাস হোলো রিভেটস সরবরাহকারী, ফাঁপা ব্রাস রিভেটস পাইকারি, শিল্প ব্রাস রিভেটস প্রস্তুতকারক
সম্পর্কিত বিভাগ
অনুসন্ধান পাঠান
নীচের ফর্মে আপনার তদন্ত দিতে নির্দ্বিধায় দয়া করে. আমরা আপনাকে 24 ঘন্টার মধ্যে উত্তর দেব।
X
আমরা আপনাকে একটি ভাল ব্রাউজিং অভিজ্ঞতা দিতে, সাইটের ট্র্যাফিক বিশ্লেষণ করতে এবং সামগ্রী ব্যক্তিগতকৃত করতে কুকিজ ব্যবহার করি। এই সাইটটি ব্যবহার করে, আপনি আমাদের কুকিজ ব্যবহারে সম্মত হন। গোপনীয়তা নীতি