মেটাল গ্রোমেট

মেটাল গ্রোমেট

আমরা Dongguan, চীন থেকে Nuote ধাতু. আমাদের কারখানা বিভিন্ন ব্যবহারের জন্য অনেক ধরণের ধাতব গ্রোমেট তৈরি করে। আমরা দশ বছরেরও বেশি সময় ধরে ধাতব গ্রোমেট পণ্য তৈরি করেছি। এই ধাতব গ্রোমেট আইটেমগুলি তৈরি করতে আমরা বিভিন্ন ধাতু ব্যবহার করি। পিতল, ইস্পাত, এবং অ্যালুমিনিয়াম সাধারণ উপকরণ। আমরা সমস্ত আকারে ধাতব গ্রোমেট তৈরি করি। জুতা জন্য ছোট বেশী, tarps জন্য বড় বেশী. প্রতিটি ধাতব গ্রোমেট প্যাকিংয়ের আগে আমাদের কর্মীদের দ্বারা পরীক্ষা করা হয়। এটি ভাল কাজ করে তা নিশ্চিত করতে তারা প্রতিটি টুকরো পরীক্ষা করে। অনেক গ্রাহক নিয়মিত আমাদের ধাতু গ্রোমেট পণ্য ক্রয়. তারা আমাদের ভাল মানের এবং নির্ভরযোগ্য সরবরাহ পছন্দ করে।

অনুসন্ধান পাঠান

পণ্যের বর্ণনা

ভূমিকা

একটি ধাতব গ্রোমেট হল একটি রিং যা গর্তকে শক্তিশালী করে। এটি ফ্যাব্রিক বা চামড়ার মতো উপাদানে স্থাপন করা হয়। আপনি যখন ধাতব গ্রোমেট দিয়ে কিছু টানবেন, তখন গর্তটি ছিঁড়ে যায় না। ধাতব গ্রোমেট উপাদানটিকে রক্ষা করে। এটি পণ্যটিকেও ঝরঝরে দেখায়। বেশিরভাগ ধাতব গ্রোমেট টুকরা আকৃতিতে গোলাকার। এগুলি প্রেসিং মেশিন দিয়ে ইনস্টল করা সহজ। মেশিনটি দ্রুত উপাদানের মধ্যে ধাতব গ্রোমেট রাখে। তারপর ধাতব গ্রোমেট দীর্ঘ সময় ব্যবহারের জন্য দৃঢ়ভাবে জায়গায় থাকে।


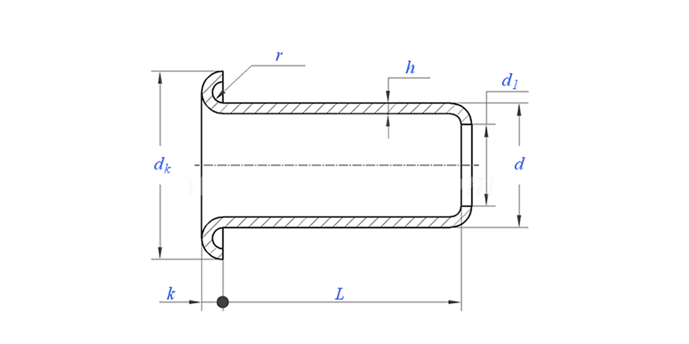
নীচের হিসাবে ধাতু Grommet অঙ্কন:

মেটাল গ্রোমেট প্যারামিটার (স্পেসিফিকেশন)



উপাদান পিতল, ইস্পাত, অ্যালুমিনিয়াম, স্টেইনলেস স্টীল, তামা
সারফেস ট্রিটমেন্ট পরিষ্কার, দস্তা কলাই, nickecl কলাই, রূপালী প্রলেপ, অনুরোধ হিসাবে
সার্টিফিকেট Rohs অনুগত
ব্যাস শঙ্ক 0.8-10 মিমি
সহনশীলতা +/-0.05 মিমি
আবেদন স্বয়ংচালিত, মহাকাশ, বৈদ্যুতিক এবং ইলেকট্রনিক্স ইত্যাদি সহ বিভিন্ন শিল্পে ব্যবহারের জন্য উপযুক্ত।
মান নিয়ন্ত্রণ উৎপাদনের মাধ্যমে 100% সম্পূর্ণ পরিসর পরিদর্শন নিশ্চিত করে যে প্রতিটি পণ্য ISO মান পূরণ করে, উচ্চ-মানের পণ্যের নিশ্চয়তা দেয়।


ধাতু Grommet বৈশিষ্ট্য এবং অ্যাপ্লিকেশন

মেটাল গ্রোমেটের অনেকগুলি অ্যাপ্লিকেশন রয়েছে। জুতা লেইস ছিদ্র জন্য ধাতু grommet ব্যবহার. ব্যাগগুলি হ্যান্ডলগুলি এবং স্ট্র্যাপের জন্য ধাতব গ্রোমেট ব্যবহার করে। তাঁবু এবং tarps দড়ি জন্য ধাতব গ্রোমেট প্রয়োজন. হুডির মতো পোশাকে মাঝে মাঝে স্ট্রিংয়ের জন্য ধাতব গ্রোমেট থাকে। আসবাবপত্র কভার বাঁধার জন্য ধাতব গ্রোমেট ব্যবহার করে। শিল্প পণ্য বিভিন্ন ফাংশন জন্য ধাতব গ্রোমেট প্রয়োজন. এই ছোট ধাতব গ্রোমেট অনেক পণ্যকে আরও ভাল এবং দীর্ঘস্থায়ী কাজ করতে সহায়তা করে। এই কারণেই অনেক কারখানা আমাদের ধাতব গ্রোমেট পণ্য বেছে নিতে চায়। তারা আমাদের অভিজ্ঞতা এবং মান নিয়ন্ত্রণে বিশ্বাস করে।


মেটাল গার্মেন্টস উত্পাদন বিবরণ

প্যাকিং তথ্য

FAQ:

প্রশ্ন 1: মেটাল গ্রোমেটের জন্য আপনার MOQ কী?

rivets জন্য MOQ হল 20,000 পিসি।


প্রশ্ন 2: আপনি কি আমাদের অঙ্কন দিয়ে তৈরি করতে পারেন?

হ্যাঁ, আমাদের বেশিরভাগ টিউবুলার রিভেট ক্লায়েন্টের অঙ্কন দিয়ে দর্জি তৈরি করে।


প্রশ্ন 3: আপনি ঠালা rivets বিনামূল্যে নমুনা প্রদান করতে পারেন?

আমাদের স্টকে থাকা আকারের জন্য আমরা বিনামূল্যে নমুনা সরবরাহ করতে পারি, তবে ক্লায়েন্টরা এক্সপ্রেস চার্জ প্রদান করবে।


প্রশ্ন 4: আপনার ডেলিভারি সময় কি?

স্টকে থাকা রিভেটের আকার: 3-5 দিন, অ-মানক রিভেটস: 15-25 দিন। আমরা গ্যারান্টি মানের সাথে যত তাড়াতাড়ি সম্ভব ডেলিভারি করব।


প্রশ্ন 5: আপনার পণ্যের গুণমান?

কোম্পানির উন্নত উত্পাদন এবং পরীক্ষার সরঞ্জাম রয়েছে। প্রতিটি পণ্য চালানের আগে আমাদের QC বিভাগ দ্বারা 100% পরিদর্শন করা হবে।


প্রশ্ন 6: কেন আমরা Nuote প্রযুক্তি বেছে নেব?

1. আমরা গ্রাহকের গোপনীয়তা প্রকল্পগুলি রক্ষা করার জন্য গ্রাহকের শর্তাবলীকে সম্মান করি।

2. আকর্ষণীয় মূল্য সঙ্গে উচ্চ মানের

3. দ্রুত সীসা সময়

4. গ্রাহক এবং অংশীদারের কাছে শুভ চুক্তি এবং সততা

5. পেশাদার বিক্রয় বিজ্ঞাপন 8 ঘন্টার সাথে আপনার অনুসন্ধানের উত্তর দিন।

6.Nuote এর পণ্য এবং পরিষেবা ভাল খ্যাতি সহ 70 টিরও বেশি দেশে বিক্রি হয়


হট ট্যাগ: মেটাল গ্রোমেট চীন,ধাতু গ্রোমেট প্রস্তুতকারক,ধাতু গ্রোমেট সরবরাহকারী
সম্পর্কিত বিভাগ
অনুসন্ধান পাঠান
নীচের ফর্মে আপনার তদন্ত দিতে নির্দ্বিধায় দয়া করে. আমরা আপনাকে 24 ঘন্টার মধ্যে উত্তর দেব।
X
আমরা আপনাকে একটি ভাল ব্রাউজিং অভিজ্ঞতা দিতে, সাইটের ট্র্যাফিক বিশ্লেষণ করতে এবং সামগ্রী ব্যক্তিগতকৃত করতে কুকিজ ব্যবহার করি। এই সাইটটি ব্যবহার করে, আপনি আমাদের কুকিজ ব্যবহারে সম্মত হন। গোপনীয়তা নীতি